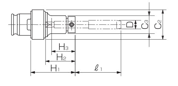
KATO TC-MO-HP-ON-SB 攻牙套筒

  • 型號| TC-MO-HP-ON-SB