• 公司介紹
  • 最新訊息
  • 產品列表
  • 聯絡我們
  • 電子型錄
  • 0 詢價單
  • 首頁
  • 產品明細

產品分類

  • REGO-FIX powRgrip® 冷壓刀桿
  • REGO-FIX ER 刀桿
  • REGO-FIX micRun® 系列刀桿
  • REGO-FIX 其他零配件
  • 滾光工具
  • 日本 KATO攻牙器
    • BT 攻牙夾頭
    • HSK 攻牙夾頭
    • C型 攻牙夾頭
    • MT 莫氏錐度攻牙夾頭
    • ST直柄攻牙夾頭
    • STT 側固直柄攻牙夾頭
    • 去毛刺 DBR系列
    • 攻牙套筒
  • ER刀桿配件
  • 搪磨
  • 研磨Lapping
  • 瑞士

品牌分類

日本KATO BT-SA-VI 攻牙夾頭

  • 型號| KATO BT-SA-VI

產品介紹Product Introduction

* 短身設計,適合小空間加工
* 伸縮裝置,吸收誤差
  • - +
    加入詢價 銷售一空

機械運作展示Show Video

產品規格說明Product Specification

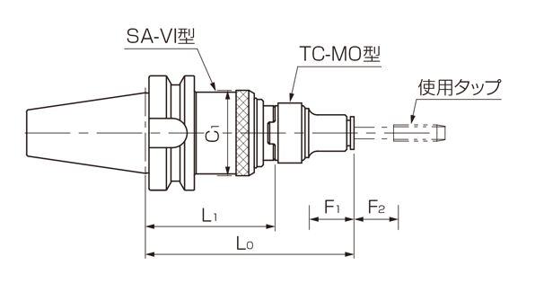
BT-SA-VI 攻牙夾頭

      
型式 L0 L1 C1 F1※ F2※ 加工範圍 本體重量
[mm] [mm] [mm] [mm] [mm] [kg]
BT30-SA 412-Ⅵ 110 66.5 47 6 8 M 3~M 16 1.07
BT40-SA 412-Ⅵ 115 71.5 1.3
BT40-SA1022-Ⅵ 160 95 64 8 10 M 8~M 27 1.8
※ F1:縮的量 F2:伸的量

相關產品Related Products

詳細商品
日本KATO HSK-A-SA-III 攻牙夾頭
詳細商品
日本KATO BT-HA-M攻牙夾頭
詳細商品
日本KATO BT-SKB 攻牙夾頭
詳細商品
日本KATO BT-SSR-OHC攻牙夾頭
詳細商品
日本KATO BT-ESS攻牙夾頭
詳細商品
日本KATO BT-SA-III 攻牙夾頭
詳細商品
日本KATO BT-ECP 攻牙夾頭
詳細商品
日本KATO BT-ECG 攻牙夾頭
詳細商品
日本KATO BT-CAS 攻牙夾頭
詳細商品
日本KATO BT-SA-II S 攻牙夾頭
詳細商品
日本KATO BT-RA-M 攻牙夾頭
詳細商品
日本KATO BT-SA-R II 攻牙夾頭
地址|
242新北市新莊區五權一路7號5號樓之2
電話|
886-2-22990742
信箱|
gueycher@ms53.hinet.net
Copyrights © 2022 貴城貿易有限公司 All Rights Reserved
此網站使用cookies蒐集必要的使用者瀏覽行為,以讓我們能為您提供更好的瀏覽體驗。 瀏覽本網站,即表示您同意 線上隱私權聲明
× 關閉