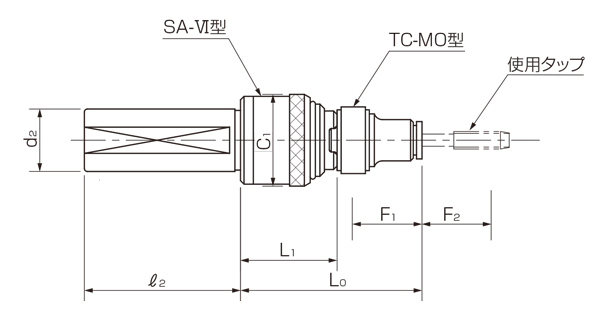
日本KATO STT-SA-VI 攻牙夾頭

  • 型號| STT-SA-VI